
Fostexスピーカーを使用した20cm2wayスピーカーの自作
スピーカーを自作しました。
きっかけ
ずーと前の学生時代にスピーカーを製作したことがあります。
24mm厚の合板で作り、表面を3mm厚のツキ板合板を貼り付けたかなり丈夫な物で、20cmウーファーとソフトドームトゥイーターを組み合わせたバスレス方式のスピーカーでした。とてもいい音がしていましたが、バッフル板を表面からネジで留めたり、パテの痕が目立ったりと、外見的には自作見え見えの代物ではありました。
その後年月が流れ、こどもがハイハイをし出すとスピーカーユニットのエッジを指でつついたりコーン紙を叩いたりしてくれるので、満足な音が出なくなりました。そしてついに廃棄。
その後音響メーカーの小型スピーカーを購入したのですが、以前のよりは明らかに音質が劣ります。サブウーファーを追加したものの、いまひとつ満足できないまま数年経過していました。
少し自由な時間も増えたし以前製作した経験もあるので、この際もう一度製作しようと思い立ったのでした。
今度は見栄えも良くしなければ。
設計
エンクロージャー
以前製作したスピーカーの音が気に入っていたので、今回も迷わず以前と同じ20cmウーファーとソフトドームトゥイーターによる2Wayバスレス方式。
材質はホームセンターで売っていた21mm厚のラワン合板。
表面仕上げは、ツキ板を張ってウレタン塗装仕上げとします。
ただし今回は前面から見て、バッフル板を固定するときのビスは見えないようにしようとこだわりました。
設計図は使用するスピーカーユニットの仕様をもとに次の通りとしました。
手書きです。

新聞紙に正面から見た図を描き確認しました。
何とかうまく収まりそう。いい感じ。
スピーカーユニット
以前使っていたスピーカーユニットは、FOSTEXのウーファーにCORALのソフトドームトゥイーターの組み合わせでした。このCORALのトゥイーターがとても気に入っていたのですが、今はありません。今回はすべてFOSTEXのユニットで構成することにしました。
次のように決定!
ウーファー:FOSTEX WF208N
トゥイーター:FOSTEX FT48D
ネットワーク:自作
アッテネーター:FOSTEX R80B
バスレス用パイプダクト:FOSTEX P49
スピーカー・プロダクション・グリル:FOSTEX KG820
昔はバスレフ用のダクトに水道の排水管を使っていたので仕上げが難しかったのですが、今は専用のダクトが販売されているのですね。
FOSTEXさんお世話になります。
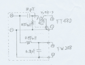
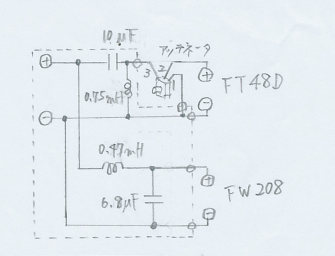
ネットワーク
ネットワークは「ネッドワーク簡単設定プログラム CANVAS版」というサイトにお世話になりました。
クロスオーバー周波数は3kHzです。
計算通りのコイルやコンデンサーの容量は販売されていないので結構アバウトです。
回路図は次の通り。手書きです。
コイルやコンデンサーはコイズミ無線で購入しました。
製作
切断
21mm厚の3×6合板を1枚半購入しました。
それを次の図のように切断して各部材を取ります。

手持ちの丸のこを使い切断。まっすぐな棒を合板にビス留めし、それをガイドにするとまっすぐ切断できます。
バッフル板のスピーカーユニットを取り付ける穴は、ジグソーで開けました。
組立
まずは外周の4枚の板を接着剤と木ネジを併用して接合していきます。少しでもずれると後でややこしいことになるので、正確に接合していきます。
バッフル板は表面にネジの頭が見えないようにしたかったのと、将来スピーカーユニットを交換する時、新たなバッフル板に交換できるよう、内部からネジ留めすることにしました。そのためエンクロージャー内側に木枠を取り付けました。
背面も同じように取り外しができるよう、木枠に固定するようにしました。ただし、背面は見えないところですので、外側からネジ留めです。
ツキ板
組立ができたら外側をツキ板で貼ります。
ツキ板とは、薄い基材に本物の木を薄く剝いたものを貼り付けたもので、表面はまさに本物に木ですので、普通に塗装できます。
ツキ板は福岡県の松本合板で、通販で購入しました。
450×1800mmのウォールナットで、3814円でした。他の店より安かったです。
ツキ板は木目の方向には簡単に折れ曲がりますが、木目と直角方向には曲がらないので
、エンクロージャー1本あたり、側面2枚・上面・底面と計4枚に分けて、一面ずつ張っていきます。側面と上面が交わるような場所は、木目が繋がるようにしてやや大きめになるようカッターで切断します。
貼り付けは、木工用接着剤で貼っていきますが、接合面に空気が残るとその部分がふくれあがるので、気泡が残らないよう慎重に貼っていきます。
しかし時間がかかりすぎると、接着剤が固まってしまうのでこの作業は難しかったです。
結局、エンクロージャーとツキ板両面にブラシで薄く接着剤を塗り、すぐにローラーで気泡を追い出しながら貼っていったらうまくいきました。
塗装
ツキ板部分
面と面が交わる4隅は、180番のサンドペーパーで滑らかになるようペーパーがけします。磨いた部分は白っぽくなるので、百均で売っているフローリング修理用の油性ペンで色を付け、目立たなくしました。
その後半艶の水性ウレタン塗料(クリア)を塗りました。この塗料はフローリング修理用に大橋塗料というネットショップで購入していたものです。
塗装自体はとても簡単。一度塗り、乾いたら軽くペーパがけして、もう一度仕上げに塗るだけです。
写真の右が塗装後、左が塗装前。木目の美しさが全然違います。
バッフル面
黒のつや消し仕上げとします。
昔作ったスピーカーで失敗していたのですが、合板に直接吹き付けると、木目の痕がとても醜くなりますので、今回は入念にパテで埋めました。パテが乾いたらサンダーで磨き、再度細かいところをパテで埋めました。
そして黒のつや消しラッカースプレーで仕上げをしました。
裏板
VATONという着色塗料でオーク色に塗装し、最後に透明の水性ウレタン塗料を塗りました。
ネットワーク製作
グリーンエポキシ剤の基板で作りますが、銅箔が35μmしかないので、なるべく回路部分を太くします。銅を溶かす塩化第二鉄の節約のためでもあります。
基板の銅箔を残す部分をマジックで塗り、塩化第二鉄の液に漬けます。
すっかり不要な部分が溶けたら取り出します。
部品を取り付ける穴をドリルで開けます。
今回は銅箔の部分を全面半田で覆いました。少しでも電流が流れる面積が多くなるようにと思ったのと、部品がしっかり半田付けできるだろうと思ったからです。必要ないかも知れません。
部品を取り付けます。
これで完成。
スピーカーユニット取り付け
スピーカーユニット取り付け用のビスにあった下穴を開けネジ留めします。インパクトドライバを使うと、ビットが弾かれて、コーン紙に穴を開けてしまうという事があります。
ですので、今回は念のためドリルドライバを使用しました。
ちなみにインパクトドライバを使うときは、「しっかり下に押さえながら」ということをよく聞きますが、それは間違い。「ネジとドライバビットが一直線になるように注意する」というのが正解。下向きにばかり力を入れるから、弾かれたときにインパクトドライバが横に跳んで作品を傷つけてしまうのでした。
バッフル板と裏板の取り付け
空気が漏れないよう、スポンジテープを挟んでネジ留めしていきます。
隅の方はインパクトドライバがまっすぐ挿入できないので、フレキシブル・ソケットを用いてネジ留めします。
内部にグラスウールを外周部分だけ取り付けました。
最後にゴム足を付けて完成。
早速視聴しました。
床に直に置いてならすと低音がズンズン響き過ぎてだめです。
そこで3cm厚の石版を敷いたところほどよい音になりました。
プロテクション・グリル
ウーファーには最初からプロテクション・グリルを取り付けていたので、外からコーン紙が傷つくことはないのですが、トゥイーターの振動板はむき出しですし、バスレフのダクトは虫が入ってきそうです。
そこで後日ホームセンターで見つけた排水口用のゴミ取りネットを黒に塗装し、トゥイーターとバスレフダクト用のプロテクション・グリルを作りました。
これを1mm厚の両面テープを細く切り取ったもので固定しました。












































ディスカッション
コメント一覧
定年しスピーカーでも自作してみようかと色々なサイトを覗いたのですが、今一ピンときませんでした。私がオーディオ、電子関係等に全く知識がないもので、やはり無理なのか?と思い始めた時にこのコラムを拝見しました。すべてを熟読し、自作スピーカーの素晴らしさと制作過程を読み自分でも作れるのでは?(無論、同じ仕上がりは望んでおらず自己に合わせた仕上がりにするつもりです)と考える様になりました。しかし、「ネットワーク制作」の部分がよくわからず紹介していただいているサイトを見たりしたのですが、「グリーンエポキシ剤の基板、銅箔が35μm、銅を溶かす塩化第二鉄、などチンプンカンプンです。また、配線図と出来上がった写真を照合したのですが私が調べたコンデンサーの形状と違いどれがコンデンサーなのか、アッテネーター(何だかわからない)なのか、またバッフルに取り付けてあるダイヤルはなになのか、配線はどうするのか、分かりません。ど素人の質問でめんどくさいとは思いますが、そこの辺りをアップいただけると幸いです。「あなたのレベルでは無理ですよ」とのアドバイスでも結構です。
ご覧いただきありがとうございます。
舌足らずな記事で申し訳なく思っています。
とりあえずご質問にお答えします。
銅箔の35μmは厚さのことです。導体の断面積が大きいほうが電流を流しやすいので、厚さが薄いぶん幅を多く取りたいという意味です。
塩化第二鉄は茶色の溶液で電子工作の用品を売っている店で扱っています。銅を溶かす液体です。
コンデンサーは写真では黒い四角形の部品です。ネットワークはコイルとコンデンサーしか使わないので、基板上はその2種類しかありません。メーカーはたくさんあるので、色は様々です。
ネットワークで高音と低音に分けたあと、高音だけ音量を調節するためアッテネーターを付けています。バッフル板に取り付けているダイヤルがそれです。
ただ自作したものの測定器がないので、本当に狙ったとおりに高音と低音に分かれているかどうか疑わしく、完全に自己満足の世界です。
私は子供の頃から電子工作は経験があるので気軽に書いてしまいましたが、もう少し丁寧に書かなければと反省しています。
しかし私は特にオーディオマニアというわけでなくDIYが好きだからという勢いで作ってしまったのですが、実は音はあまり満足していません。そのうちBOXの補強をしようと考えているところです。
さて、このスピーカーを製作したあと、友達からの紹介で音楽之友社という出版社から「これならできる特選スピーカーユニット マークオーディオ編」というのが発売されていることを聞き、購入してみました。要するにスピーカーユニットが本の形で販売されており、マークオーディオ製8cmフルレンジ・スピーカーユニットが付いているということです。これはスピーカーユニットだけですが、それとは別に専用のエンクロージャーもキットの形で販売されていました。これを作ってみてビックリ。なんと私の自作のスピーカーよりいい音がするのです。口径8cmのフルレンジスピーカーが私の20cm2wayスピーカーよりいい音がするのです。ネットワークはいらないし、なんだか苦労して作ったのが無駄になったようでした。
今売っているかどうかわかりませんが、ネットで調べたら出てくるかもしれませんよ。おすすめです。